广东红海湾发电有限公司
我厂3、4号机组为国产660MW超超临界压力燃煤发电机组,三大主设备由东方电气集团公司属下的东方锅炉厂、东方汽轮机厂、东方电机股份有限公司制造,容量及参数相互匹配。汽轮机型号为N660-25/600/600,锅炉型号为DG2060/26.15-Ⅱ2,发电机型号为QFSN-660-2-22A,发电机冷却方式为水-氢-氢,即定子绕组水内冷、转子绕组氢内冷、定子铁芯氢冷。
机组正常运行时,发电机内氢压应维持在0.42~0.45MPa,冷氢温度维持在35~45℃,氢气纯度应在96%以上,含氧量小于1%。密封油系统用于向发电机两端密封瓦提供连续不断的密封油,且使油压高于发电机内氢气压力一定数值,以防发电机内氢气沿转轴与密封瓦的间隙向外泄漏,同时也防止油压过高而导致发电机内大量进油。密封油为集装式,采用接触式密封油档措施,密封瓦结构为单流环式,密封油的主油源来自汽机的润滑油。密封油系统中主要包括正常运行供油回路、事故运行供油回路、紧急密封油供油回路等三个回路装置。发电机密封油系统配置有二台交流主密封油泵,一台直流事故密封油泵。正常运行时,一台交流主密封油泵运行,另一台作备用,而直流事故密封油泵作事故备用。正常运行时通过油氢差压阀控制密封油压大于发电机内氢气压力0.056±0.02MPa。
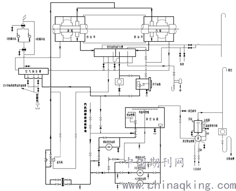
由于发电机进油和密封油系统结构原理密切相关,以下给出密封油系统图:
.png)
如上图,正常运行供油回路:主机润滑油箱来→真空油箱→主密封油泵→差压阀→密封瓦→(氢侧回油→密封油回油扩大槽→浮子油箱/浮子油箱旁路)/空侧回油→空气抽出槽→回主机润滑油箱;事故运行供油回路:主机润滑油箱来→事故密封油泵→差压阀→密封瓦→(氢侧回油→密封油回油扩大槽→浮子油箱/浮子油箱旁路)/空侧回油→空气抽出槽→回主机润滑油箱;紧急密封油供油回路:主机润滑油箱来→密封油紧急供油手动门→差压阀→密封瓦→(氢侧回油→密封油回油扩大槽→浮子油箱/浮子油箱旁路)/空侧回油→空气抽出槽→回主机润滑油箱
简单来说,排氢操作:开启氢气系统排空手动门,以适当速率排氢;CO2置换氢气:氢气降至零(相对压力)后,加装CO2气瓶,通过置换管路,将CO2以适当的压力从底部注入发电机,由于CO2密度大于H2,H2从发电机顶部排走;以下论述以此操作为例,其它置换操作类推。
置换过程中如果发电机进油,可通过声光报警、主机润滑油油位、发电机油水检漏装置判断,及时处理,排净漏油。但发电机进油会侵蚀发电机的绝缘,加快绝缘老化,使发电机内氢气纯度降低,增大排污补氢量,如果油中含水量大,将使发电机内部氢气湿度增大,使绝缘受潮,降低气体电击穿强度,严重时可能造成发电机内部相间短路。所以不该等发电机进油再去处理,而要有效预防发电机进油。
下面从几个关键点来叙述发电机气体置换过程进油的原因及预防:
1、紧急排氢:若机组氢气大量泄漏、着火、爆炸或密封油失去等情况则需紧急排氢,在紧急排氢过程中,密封油和氢气的差压不超限、密切监视发电机的线圈和铁芯的温度,应确认排气口不着火,排氢管无过热现象,否则,应降低排氢速度,同时避免在厂房内动火,并加强通风。
紧急排氢操作进油的关键在于密封油和氢气的差压控制,实际操作中有以下几个要点:1、我厂密封油泵型式为螺杆泵,流量越小电流越大,由于氢压下降速率较快,油氢差压阀动作使密封油压跟着下降,从而密封油流量也会变小,导致密封油泵电流上升甚至跳闸,因此氢压下降过程中要及时开启密封油再循环手动门,增加密封油流量,防止密封油泵过流跳闸;2、油氢差压阀的最佳工作压力区间在50%~100%(油氢差压阀的工作原理在此不做论述),当发电机密封瓦供油压力不到密封油出口母管油压的一半时,油氢差压阀调节作用下降,导致油氢差压偏高甚至超限,导致发电机进油,因此,当氢压下降,通过调整密封油再循环手动门降低密封油母管油压,使发电机密封瓦供油压力保持在密封油出口母管油压一半以上;3、排氢开始立即解除主密封油泵、事故密封油泵联启保护,防止密封油母管油压低联启备用油泵(之前已经论述排氢时密封油出口母管油压也要往下降,并且要降至远低于油泵联启油压0.68Mpa)
2、氢压降至零(相对压力):氢压降至零的过程中,按照经验主要操作有转入紧急密封油供油回路、退出浮子油箱、退出油氢差压阀。
由于主机轴承供油压力为0.14Mpa不变,转入紧急密封油供油回路时密封瓦由主机润滑油供油,取氢压为0.1Mpa,油氢差压=0.14-0.1=0.04Mpa,算上微弱管道阻损油氢差压仍在0.056±0.02MPa,因此氢压降至0.1Mpa,可停运密封油泵,转入紧急密封油供油回路。
曾经发生过在氢压低至0.032Mpa时浮子油箱未走旁路导致发电机进油,因此经验值在0.05Mpa及以上时退出浮子油箱可以确保发电机不进油。
下面从理论上论述此种情况发电机进油的原因:
.png)
图二
浮子油箱高油位时浮子上浮,利用杠杆原理,关闭补油阀,打开泄油阀;同理,浮子油箱低油位时浮子下浮,利用杠杆原理,关闭泄油阀,打开补油阀。如图二,空气抽出槽压力P0为大气压(防爆风机微负压忽略不计),记为零(本文计算压力全为相对压力)则空气抽出槽与浮子油箱连接为U型管,之间的压力差
.png)
,润滑油密度900kg/m3,重力加速度g=9.8m/s2,实测h1=3.2m,
.png)
=0.028Mpa,管道压力损失hw=∑hf+∑hj(Pa),沿程阻力损失hf=[λ×(L/d)×γ×(v^2)]÷(2×g),局部阻力损失hj=[ζ×γ×(v^2)]÷(2×g),由于氢侧密封油回油少,流量低,流速小,因此管道压力损失值很小,Pb=Pa=发电机内氢压,Pb>P1+hw时浮子油箱可顺利排油至空气抽出槽,估算hw=2000pa,因此当氢压低至0.03 Mpa时浮子油箱无法排油,则浮子油箱补油门一直关闭,氢侧密封油无法回油导致密封油回油槽油满后发电机进油。即使氢压略微高于0.03 Mpa,但此时油流压头接近零,排油速率小于进油速率最终也导致发电机进油,所以氢压小于0.032 Mpa发电机很大概率会进油。退出浮子油箱后,保持浮子油箱旁路门全开,由于密封油回油槽位置高于空气抽出槽约两米,因此,通过势能差,氢侧回油会自动回到空气抽出槽,且管道设计流量大于氢侧回油流量,确保发电机不会进油。
根据以上论述,通过实践证实了置换操作时浮子油箱在发电机内气压低至0.032Mpa时仍能工作正常,给出了浮子油箱工作压力区间,在压力稍高于0.032Mpa退出浮子油箱,防止发电机内气压过低导致浮子油箱失效,进而发电机进油。
根据以往经验值,在氢压降至0.05~0.1Mpa退出浮子油箱,开启浮子油箱旁路门。执行此操作时发生过氢压下降速率快速上升的现象,经检查浮子油箱旁路门全开状态、视窗已看不到油,且确认排氢门开度未变化、氢气无泄漏,判断为H2经浮子油箱旁路从空气抽出槽排走。而发电机气体置换过程中,浮子油箱走旁路、气体升压阶段,发生过气压升至0.043Mpa时快速下降至0.02Mpa左右的现象,经检查供气回路正常,浮子油箱旁路视窗已看不到油,判断又是前述“跑气”。此时需将浮子油箱旁路手动门关小至一定开度节流,并连续调整浮子油箱旁路手动门开度,控制油位在浮子油箱旁路视窗范围内才能保证不“跑气”、不进油,操作比较繁琐。
下面从理论上分析“跑气”现象,同理,空气抽出槽与浮子油箱出口管最低处的压差P2=
.png)
=
.png)
=0.041Mpa,当Pa>P1+hw≈0.043Mpa,就会“跑气”。
根据以上论述,发电机排氢操作,在氢压降至0.032Mpa和0.043Mpa之间(可取中间值0.037Mpa)全开浮子油箱旁路门,退出浮子油箱,可以同时避免发电机进油及“跑气”现象,简化了气体置换操作步骤。同理,发电机内气体升压操作,在气压升至0.037Mpa时投入浮子油箱,全关浮子油箱旁路门后继续升压。
经验值在氢压低至0.05Mpa时退出油氢差压阀,通过油氢差压阀旁路门控制密封油压,由于氢压较低,为防止进油,一般将油氢差压控制在低值0.04Mpa。从理论上,计算氢侧密封油流量
.png)
,若将密封瓦冷热态、在大轴盘车与3000rpm状态时密封瓦间隙及流通损失对流量Q的影响忽略,则氢侧密封油流量
.png)
(油氢差压)有关,油氢差压不变,流量Q不变,发电机不会进油。若是按照以前的经验操作,氢压低于0.05Mpa时退出油氢差压阀,则由于置换过程氢压变化时,需要跟着手动调整油氢差压阀旁路门的开度来保证油氢差压在低值0.04Mpa,通过实践证实了整个置换过程可将油氢差压阀保持运行,且主机润滑油压是0.14Mpa,若气压在0.1Mpa以内,油氢差压阀都在最佳工作压力区间(之前已论述),无需人为干预,节省了人力,也消除了频繁人为干预和投退油氢差压阀的误操作风险,有效预防发电机进油。
3、CO2置换H2:H2泄压至零后,向发电机底部充CO2,剩余H2从顶部排走, CO2充气压力经验值为0.02~0.03Mpa。按照以往经验操作,需要调整CO2供气手门与H2排气手门维持CO2充气压力,由于油氢差压阀已退出,CO2充气压力波动时还需手动调整差压阀旁路门的开度维持油氢差压靠近0.04Mpa,另外还需调整浮子油箱旁路门的开度使油位在视窗范围内,防止发电机进油或发生“跑气”。几个地点来回操作,繁琐复杂,费时费力。经过以上论述,油氢差压阀无需退出,由于气压<0.043Mpa时不会出现“跑气”现象,考虑到置换时间及安全余量,CO2充气压力可扩大至0.015~0.035 Mpa,另外保持浮子油箱旁路门全开即可,无需监视浮子油箱旁路视窗的油位,这样就无需再去手动调整,达到简化操作、防止进油的目的。
至此我厂发电机气体置换过程进油的原因基本找出,且得出有效的预防措施,总结出精简的气体置换操作步骤。由于各厂密封油系统、氢气系统有差别,以上论述可供参考,根据实际情况调整。