软启动器在污水处理系统中的应用

发表时间:2020/7/20   来源:《电力设备》2020年第8期   作者:李俊平
[导读] 摘要:软启动器是一种新型的电动机启动、保护设备,这种设备结合了现代电力电子技术,计算机技术以及现代控制理论,相对于传统的产品而言,软启动器所带来的优越性非常明显,因此在工业领域的电机传动设备中得到了非常广泛的应用,基于此,本文结合污水处理系统,论述软启动器的工作原理、功能及作用,对软启动器在污水处理系统中的应用进行分析。
        (兰州石化公司动力厂  甘肃省兰州市  730060)
        摘要:软启动器是一种新型的电动机启动、保护设备,这种设备结合了现代电力电子技术,计算机技术以及现代控制理论,相对于传统的产品而言,软启动器所带来的优越性非常明显,因此在工业领域的电机传动设备中得到了非常广泛的应用,基于此,本文结合污水处理系统,论述软启动器的工作原理、功能及作用,对软启动器在污水处理系统中的应用进行分析。
        关键词:软启动器;PLC;污水处理系统;应用
        软启动器的发展是一个层层递进的过程,当前软启动器已经发展为以CPU控制技术为核心对现代化智能模块进行控制,对于过去利用晶闸管变流调压技术相比,这种技术的效率更高,更能适应当下电力自动化发展的需求。
        1  软启动器的工作原理、功能特点及作用
        1.1软启动器工作原理
        软启动器,英文称作Soft Starter,这是一种新颖的电机控制装置,集电机软启动、软停车、轻载节能和多种保护功能于一体,在整个软启动器中采用的调压器是三相反并联晶闸管,将调压器接入到电动机定子和电源之间,具体的工作原理图见图1。电动机处于启动状态时,软启动器会接收到来自可编程控制器或键盘发出的命令,随后对电动机的启动电压和电流进行控制,使空载状态下的离心式机械系统依旧能够保持平滑启动,当电压达到了额定电压时,接触器JC吸合,软启动器实现短接,电动机会接收到来自三相电源的电压,进而完成软启动器的启动,随着软启动器的启动完成,可编程控制器会接收到启动完成的信号。如果想使电动机处于停机状态,同样软启动器会接收到来自可编程控制器或键盘所发出的停机令,在软启动器的控制下,电动机由逐渐减速直至完全停机。
 
        图1 软启动器工作原理框图
        1.2软启动器的功能特点
        软启动器的功能有很多,除了基本的控制功能、保护功能以外,还包括显示、报警以及参数设置等功能。
        1.2.1无冲击电流。在电机处于启动状态时,软启动器为了发挥其启动作用,会使晶闸管的导通角逐渐增大,进而使电机的启动电流直线上升,直到电流达到设定值,这对于电机本身并没有冲击性,大大提高了供电的可靠性,为电机的启动提供了一个平稳的环境,由于受到的机械冲击减少,电机的使用寿命自然会随之延长。
        1.2.2具有软停车功能,所谓的软停车指的就是平滑减速,通过软启动器的作用,将电机逐渐恢复到停机状态,电机会经减速再停机,这样会有效的克服瞬间停机所带来的弊病,让重载机械的冲击性降到最低,大大减少了设备的损坏率。
        1.2.3启动参数可调,为了使电流能够有最佳的启动状态,可结合具体情况,对其进行调整。
        1.2.4测量回路参数功能在电动机工作过程中,软启动器一直对电动机的运行参数进行监视,同时将监测到的参数发送给CPU进行处理,CPU通过对参数的分析,实现对电动机的保护,为其运行提供一个安全的条件。
        1.2.5显示、报警和参数设置功能。控制面板上可以将电机的电流、报警信号设定参数值等显示出来,于是实现了对电机运行的数字化保护。
        1.3软启动器的主要作用
        1.3.1能够使电动机启动时所耗费的电流量得到极大的降低,从而使配电容量得以减小,使电网不用进行增容投资。
        1.3.2能够有效的帮助电动机与负载设备降低自身的启动应力,从而能够使电动机及相关机械设备拥有更长的寿命,降低在维修、更换设备上所投入的资金。
        1.3.3能够利用软停机功能帮助惯性系统避免传统启动设备启动时常见停车喘振问题。
        1.3.4能够有效地保障启动过程平稳,即使面对着复杂的电机结构及负载状况,也能够选择最适合的启动模式,因为软启动器拥有6种启动模式,每一种启动模式都具有其独特性,能够根据电机及负载情况配合以最恰当的启动模式。
        1.3.5能够保证生产安全,软启动器的保护功能更加安全可靠,完备的保护功能为电动机及相关设备提供了保护作用。
        1.3.6能够满足电力自动化技术的需求,更加智能化、网络化的技术应用,使软启动器能够为电机控制提供技术支撑。
        2 软启动器的工作模式
        软启动器的人机交互界面更加灵活,更加方便操作,同时能够自行设置运行参数,同步体现工作状态。软启动器在工作时可以选择多种工作模式,对启动及软停时间实现精准控制,因为软启动器可以设置不同的启动模式及停止模式;能够提供更加健全的保护功能,可以通过设定保护参数,对机器进行保护,如保持相间平衡、保证堵转测试顺利,提供欠压、欠载、过压保护等;能够帮助系统完成更快捷的通信,提供更加标准的串行通信口,协助其形成自动化控制系统,从而提升其控制功能;能够进行实时监控,在运行状态下软启动器对于工作状态能够进行监控,具备自动报警功能。
        软启动器可通过设定为不同的负载特性需求配备相应的工作模式。例如,软启动器中的起动模式可分为有限流启动模式、脉冲突跳启动模式、电流斜坡启动模式及电压启动模式等,在具体应用中,为实现电动机能够安全启动、将启动时间缩为最小、降低启动电流的效果,软启动器能够结合负载特性选择最适合的启动模式。而其他功能也有不同的模式,如停止功能包括软停车、直流制动、自由停车等,运行功能包括跨越运行模式、节能运行模式、接触器旁路工作模式及调压调速模式等。模式的多样化使软启动器的工作更加灵活,也使系统的工作更加便捷。
        3 软启动器在污水处理系统的应用
        该污水处理系统主要包括的工艺设备为:功率因数为0.8的160KW潜水排污泵两台,其中一台为备用;功率因数0.8的90KW污水泵两台;格栅机一台;启闭机一台。
        3.1设备控制
        设备控制选择三位一体的控制模式,通过现场按钮控制、PLC自动控制及控制屏集中控制三者相结合,按以下要求进行控制:(1)对现场排污泵启停台数进行控制,保证水位适应,进行过载、过压、轴承和绕组过热保护。(2)通过现场按钮及总控室对启闭机进行双重控制。(3)利用PLC控制法对格栅机进行控制,设置启停时间,再通过总控室集中控制。
        3.2主要硬件设计
        3.2.1  PLC:利用PLC对污水池的液位计进行总控室集体控制,使其符合设计要求。在进行潜水泵性能检测时,通过综合保护装置实现油室漏水、绕组过热、轴承过热、浸水、加热除湿的保护,该装置能够将水泵的信号传递给PLC,从而协助PLC对水泵的工作状态进行检测。
        3.2.2软启动器:软启动方式应根据水泵的工作特点进行一控一工作。按照电机功率及过流过压保护要求,因污水泵分别为160KW和90KW,因此,软启动器应分别选择西驰CMC-160-3-L和CMC-90-3-L。为减弱软启动器对电源变压器容量的需求,软启动器应调节为限流启动模式,以30秒为启动时间,限流倍数为3。
        3.2.3西门子工控机:配置为CPUE84004G1Tg光驱等。
        3.3水泵控制设计
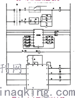
        如图2所示,在水泵控制主电路中,软启动器直接连接于水泵并对其实施控制。如图3所示,该图是一台软启动器工作原理图,共分为水泵手动控制线路图、软启动器线路图及水泵综合保护装置图三部分。对水泵进行控制的方法有两种,分为手动与自动控制,手动控制是通过按钮进行控制,也能够进行异地控制。当开关切换至自动位之后,检测信号会通过雷达液位计传送至PLC,继电器KA线圈由PLC系统进行控制,当KA触点闭合后,通过软启动器进行水泵启停控制。
        3.4应用效果
        该污水处理系统在应用软启动器后运行良好,既能保证总控制室能够良好的控制系统,同时能够为上位机提供优质的人机界面,及更好地通信能力,而下位机也能够利用PLC对水泵格栅机和启闭机进行控制。另外,在应用软启动器后,不仅有效的使启动电流减少,同时也避免了水锤效应的产生,使系统更加稳定、安全。
          
        图2水泵控制主电路
    
        图3一台水泵的控制电路
        3.5软启动器节能控制的正确应用
        采用软启动器节能功能应考虑以下几个方面:第一,节能功能对于一些位势性负载和平方转矩负载比较适用,对于恒功率负载和恒转矩负载应用时应慎重;第二,节能功能的节电效果与负荷率相关。需综合测算各项损耗,计算出临界负荷率,电动机工作时的负荷率必须小于临界负荷率,否则没有节能意义;第三,降压同时降低了电动机输出转矩,节能降压同时必须保证有足够的运行转矩;第四,满足稳定性要求,节能控制必须以保证系统运行稳定为前提;第五,满足热稳定性要求,必须采取措施保证包括转差功率损耗和通风变差引起的温升小于电动机允许的温升;第六,一般认为软启动器的节能效果在5%~10%以内,但其附加成本将增加,在使用之前需根据负载和工艺情况详细核算其节能指标,同时应考虑到增加的附加成本和影响。
        结语
        相较于传统的启动模式,利用现代电力电子技术及计算机技术形成的软启动器,更加适用于工业领域的电机传动设备,能够使污水处理系统更加高效、安全的完成作业。在污水处理系统中应用软启动器,能够保障运行的稳定,更加贴合生产的需求,存在较高的应用价值。
        参考文献:
        [1]谢琦.砂浆污水站自动控制系统设计实例[J].污染防治技术,2018,31(06):96-99+110.
        [2]张桂琴.软启动器在污水处理系统中的应用[J].数字技术与应用,2015(05):14-15.
        [3]谢健,徐春.一种改进型的智能化污水处理节能技术的研究与应用[J].广西民族大学学报(自然科学版),2014,20(03):81-85.
 
投稿 打印文章 转寄朋友 留言编辑 收藏文章
  期刊推荐
1/1
转寄给朋友
朋友的昵称:
朋友的邮件地址:
您的昵称:
您的邮件地址:
邮件主题:
推荐理由:

写信给编辑
标题:
内容:
您的昵称:
您的邮件地址: