广东建科建设咨询有限公司 广东广州 510000
摘要:随着国家的发展,拥有地铁的城市逐渐增加,也意味着中国已经开启建设地铁大时代。在地铁车站的施工过程中,深基坑地下连续墙围护结构是其中的一个重点代表,因此本文就地铁车站深基坑地下连续墙围护结构的施工技术展开了探讨,详细描述了该围护结构一些关键工序的控制措施及验收标准,希望能给到有关方面提供借鉴。
关键词:地铁工程;深基坑;地下连续墙
1工程概况
本文选取某个车站主体围护结构进行研究,车站主体基坑长152.6m,宽31.1和30.3m,基坑深度约38.5m,总建筑面积31966.5m²。地下连续墙深为40.45~43.88m,厚度为1m和1.2m,分幅长度在2.5~7m的范围内,共有79幅。本工程地下连续墙采用C35水下混凝土,抗渗等级P6。车站站厅为明挖顺做法,支护方式为连续墙+内支撑形式,共六道支撑,其中五道混凝土支撑,一道钢支撑。连续墙采用冲孔桩机+液压抓斗+双轮铣进行成槽施工。
2机械设备配置
根据本工程的地质和水文条件、四周环境,并且结合了施工前进行成槽试验进行探讨分析后,决定采用如下主要设备:徐工XG600D和金泰SG35A液压抓斗成槽机各一台、徐工XTC80/55和XTC80/85双轮铣各一台、金泰ZR300和黑旋风ZX200泥浆净化器各一台、三一科技SCC300we300T和XGC150T履带吊各一台、ZKZ-6冲桩机十一台、PC200挖掘机两台、泥浆设备一套、MCY-14-1B800T起拔器两套、UDM-100超声波检测机一套、BX7-500交流电焊机十二台。
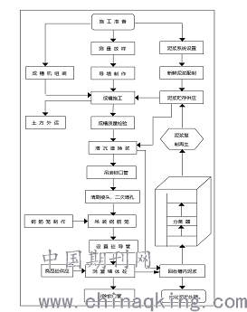
3地下连续墙施工工艺
.png)
施工地下连续墙施工流程图
4.1导墙施工工序
场地平整→测量定位→物探→导墙沟开挖→基底处理→绑扎钢筋→模板安装→浇筑混凝土→拆模并设置临时横撑→土方回填。
4.1.1测量放样
建设单位提供的原始坐标控制点经现场施工、监理、设计单位一起校核合格后,测量人员根据复核合格的原始坐标点进行测量放样。为避免地下连续墙侵限的现象发生,经设计单位同意,测量放样时导墙中心线外放100mm。测量人员准确地将导墙沟槽边线测量放样出且撒上白灰作标记。
4.1.2导墙沟槽开挖
首先挖掘机破除原有硬化地面,其次用人工结合挖掘机往下开挖导墙沟槽,开挖过程发现的有不明管线及时联系相关单位进行迁改,严禁超挖。导墙沟槽开挖完毕后,导墙沟槽底部立即浇筑C20混凝土,垫层厚度为100mm,其余地方用人工进行砂浆着平。
4.1.3导墙模板安装,钢筋绑扎
导墙沟槽深为1.6m,采用C25混凝土,厚度为200mm。垫层混凝土洒水养护达到一定强度后,按照设计图纸要求,测量员用墨斗在垫层上弹出导墙钢筋位置后进行钢筋绑扎。钢筋绑扎完成进行模板安装,模板采用钢模板,钢模板外侧加两根50厚钢管间距400mm横向和纵向背楞,并每隔0.5m加设3道50厚的横向钢管支撑,钢模板装时须严格控制垂直、平整度。
4.1.4浇筑混凝土和拆模板、回填
混凝土浇筑前须检查混凝土塌落度、混凝土的等级等是否复核设计图纸要求,浇筑过程安排人员用插入式振捣棒振捣混凝土,导墙浇筑完成后及时覆盖土工布并进行洒水养护。导墙混凝土达到设计强度进行拆模,一边拆模一边回撑,在导墙沟槽内每间隔三米设2道200*200mm方木充当临时横撑,用来抵消导墙沟槽受到的侧压力,及时分层回填土方进入导墙沟槽内,防止导墙沟槽受到较大的侧压力挤压发生变形。导墙的作用是作为铣槽机的导向,容蓄泥浆防止地表坍塌。
5.1泥浆工艺
5.1.1泥浆系统施工工艺
.png)
泥浆系统施工工艺流程图
5.1.2泥浆性能指标及技术要点
施工前应对造浆粘土进行认真选择,并在施工前进行造浆率和性能试验。根据工程的地质条件、成槽方法等,拟采用优质钠基膨润土和自来水为原材料搅拌而成。新拌制护壁泥浆在使用前24小时须进行存放,使膨润土完全水化。施工过程中根据现场实测数据及时调整泥浆指标,使其适应不同地层的钻进要求。在保证正常工作的前提下,泥浆的比重应尽可能的小(<1.15)。施工现场应设置足够施工使用的泥浆配制、循环和净化系统场地。泥浆池应加设防雨棚,施工场地应设置集水井和排水沟,防止雨水地表水污染泥浆,同时也防止泥浆污染场地,施工期间,槽内泥浆面必须高于地下水位1m以上,并且不低于导墙顶面0.5m。施工现场应有足够的泥浆储备量,以满足、清槽需要以及失浆时的应急需要,泥浆应进行净化回收重复使用。泥浆性能指标要求详见下表:
成槽护壁泥浆性能指标要求
.png)
5.1.3泥浆的储存及时劣质泥浆的处理
泥浆储存采用钢制泥浆箱储存,每个泥浆箱可储存6m×2.5m×2m=30m³。单元槽段最大成槽方量V=43.88m×7m×1.2m=368.592 m³,为保证配置的泥浆满足使用,钢制泥浆箱配置按1.5倍最大成槽方量、每个钢制泥浆箱储存量按30m³进行计算,因此配置钢制泥浆箱19个,另外再配置制浆箱、废浆箱各两个,共配置23个钢制泥浆箱。对于劣化泥浆首先储存在废浆箱中,而后采用全封闭的泥浆罐车外运到指定的场所,保证城市环境清洁。
6.1成槽施工
按现场实地质情况划分槽段,测量员用红油漆在导墙上精确标出单元格槽段、每抓宽位置、钢筋笼搁置、锁口管安放位置及槽段编号,并测量导墙标高。
地下连续墙成槽施工采用冲、抓、铣综合法施工,采用跳槽分期作业。6.4m宽标准槽段采取两序成槽,先挖两边,再挖中间;2.5m宽标准槽段采取一次成槽,成槽过程中要实测垂直度,并及时纠偏。
成槽施工根据地质情况进行合理安排。一期槽段采用冲、抓、铣结合的施工工艺,二期槽段采用纯铣的施工工艺。抓铣结合的施工工艺:为保证成槽质量,计划在全风化岩层以上土层采用液压抓斗进行开挖;全风化岩层以下,成槽施工采用双轮铣槽机进行开挖成槽。
6.1.1液压抓斗成槽
液压抓斗成槽,成槽机定位后,抓斗平行于导墙内侧面,下放自行坠入导墙内,不允许强力推入,以保证成槽精度。
成槽时不宜满斗挖土,当抓斗提升到导墙顶面时稍停,待抓斗上泥浆滴净后,再提升转运到自卸汽车,以防泥浆污染场地。掉在导墙上的泥土清至槽孔外,严禁铲入槽内。抓斗挖土过程中,上、下升降速度均缓慢进行,抓斗还要闭斗下放,开挖时再张开,以免造成涡流冲刷槽壁,引起塌孔。
成槽过程中,严格控制抓斗的垂直度及平面位置,尤其是开槽阶段。仔细观察监测系统,X、Y轴任一方向偏差超过允许值时,立即进行纠偏。抓斗贴临基坑侧导墙入槽,机械操作要平稳。并及时补入泥浆,维持导墙中泥浆液面稳定。
6.1.2双轮铣成槽
采用液压抓斗直接抓槽,入岩层后采用双轮铣成槽机切削岩石,通过泥浆泵把破碎的土体、碎石带出槽内并进行筛分。
双轮铣成槽施工时,必须做到稳、准、轻放、慢提,通过电脑测垂,在槽段发生偏移时利用在铣头沿高度的左右两侧各安装2块导向板以及前后两侧各安装4块纠偏板进行纠偏,确保成槽垂直度。挖完槽后用超声波测壁仪进行检测,进一步保证成槽垂直度。
双轮铣成槽时,其自带的泥浆循环系统因不断向槽内注新鲜泥浆,保持泥浆面在导墙顶面以下0.3~0.5m,且高出地下水位1m以上。随时检查泥浆质量,及时调整泥浆指标以满足特殊地层的要求。
液压抓斗抓到全风化岩层之后,采用铣槽机成槽。施工Ⅱ期槽,根据现场同条件养护的混凝土试块抗压强度值,在相邻两个Ⅰ期槽砼强度达80%后,开始进行其间的Ⅱ期槽施工,即Ⅰ、Ⅱ期槽交替同步向前推进,直至地连墙最后封闭。
7钢筋笼制作
钢筋笼制作步骤如下:(1)用于制作钢筋笼的钢筋原材、套筒须进行复检,复检合格后钢筋材料方可用于钢筋笼制作。(2)钢筋笼在钢筋笼整体制作平台上整幅制作成型。(3)按设计要求钢筋笼钢筋全部采用电焊接。(4)按设计图布置各类钢筋,保证钢筋横平竖直,间距符合规范要求,钢筋接头焊接牢固,成型尺寸正确无误。(5)为确保地下连续墙保护层厚度,钢筋笼两侧需设置保护层,每一槽段横向设置4排,竖向间距为5米,保护层与钢筋笼焊接连接牢固。(6)钢筋笼纵向应预留导管位置并上下贯通,导管位置不设水平拉钩。(7)为了防止钢筋笼在吊装过程中产生不可复原的变形,钢筋笼均按照设计图设置纵、横向抗弯桁架,异型幅钢筋笼还需增设定位斜拉杆。(8)为了保证钢筋笼吊装安全,吊点位置的确定,以及吊环、吊具的安全性应经过设计与验算,作为钢筋笼最终吊装的竖向钢筋,必须同相交的水平钢筋由上至下每个交点都焊接牢固。(9)严格按设计要求及图纸焊接预埋铁件,及时预埋超声波管及土体深层水平位移管,并保证预埋件的定位精度符合规定要求。(10)存在异型槽段型槽,由于异型槽段幅钢筋制作、起吊困难,需对异型槽段钢筋笼按照设计图纸进行加固处理,必要时作加强处理。对于拐角幅及特殊幅钢筋笼除设置纵、横向起吊桁架和吊点之外,另要增设“人字”桁架和斜拉杆进行加强,以防钢筋笼在空中翻转角度时发生变形。
7.1.2钢筋笼吊装
根据单幅最重钢筋核算,配置300T履带吊作为主吊,130T吊车作为副吊,进行双机抬吊,沿纵向主吊设置2道吊点,副吊设置3道吊点,沿横向主吊设置4道,副吊设置2道,共14点起吊。对于这种大型吊装作业,专职安全员必须到场进行现场旁站。(1)将钢筋笼水平吊离地面30cm左右,停机检查吊点的可靠性及钢筋笼的平衡情况.(2)确认正常后开始缓慢升主、副吊,升到一定高度后,主吊继续升同时缓慢放副吊,将钢筋笼凌空吊直。(3)吊放钢筋笼必须垂直对准槽中心,吊放速度要慢,不得强行压入槽内,发现振阻及时吊起,经处理后重新吊放。(4)钢筋笼入槽后,用槽钢卡住吊筋,横担于导墙上,防止钢筋笼下沉,并用钢管分别插入锚固筋上,与灌注架焊接,防止上浮。
8锁口管安放及拔除
考虑到二期槽双轮铣套铣作业难度大,对使用双轮铣成槽施工宽度为1m槽段外放100mm并下放直径1.1m锁口管,对使用双轮铣成槽施工宽度为1.2m槽段外放100mm并下放直径1.2m锁口管,待混凝土初凝后将钢管徐徐拔出,使端部形成半凹榫状接头,并提前为二期槽预留引孔以减少套铣难度。
地下连续墙成槽施工完成进行第一次清孔后安放锁口管,步骤如下:(1)吊装锁口管、800T起拔器需使用现场130t履带吊进行吊装。(2)锁口管分段起吊入槽,在槽口逐段拼接成设计长度后,下放到槽底。(3)锁口管的外边线应与套铣的150mm素混凝土边线相吻合,口管防止混凝土倒灌;上端口用槽钢扁担搁置;锁口管后侧用袋装粘土进行回填,防止倾斜导致接头不平顺,从而影响后续开挖。(4)锁口管拔除根据抗渗混凝土凝固速度及施工中试验数据。正式开始顶拔锁口管的时间,应以自然养护试块达到终凝状态所经历的时间为依据,混凝土浇筑开始后2~4h左右开始拔动。以后每隔30分钟提升一次,其幅度为50~100mm。(5)在顶拔接头箱过程中,要根据现场混凝土浇灌记录表,计算接头箱允许顶拔的高度,严禁早拔、多拔。(6)接头箱由液压顶升架顶拔,履带吊协同作业,分段拆卸,直至终凝后将锁口管完全拔出。
9浇筑墙体水下混凝土
导管内径采用200~300mm型号,导管采用无缝钢管,管壁厚为3~5mm。导管长度根据需要配置4m、2m、1.5m、1.0m、0.5m、0.3m等几种规格。所用导管均需耐压1.2~1.5MPa,水压试验合格后方可使用。管之间采用丝扣连接,同时设置密封圈止水。浇筑混凝土导管连接长度根据待浇槽段深度计算确定,同时保证导管在混凝土中有合理埋深。首批混凝土数量满足将导管埋深2m,开始浇筑混凝土时导管底部距离槽底150~250mm。
浇筑步骤:(1)进场的混凝土必须符合图纸要求,混凝土配合比、塌落度必须满足设计要求。(2)用履带吊将导管、混凝土漏斗、灌浆架吊装到位,在混凝土漏斗管上部盖上直径略大于导管的钢盖板,钢盖板穿好钢丝绳,当混凝土漏斗装满混凝土用吊车掀起封口钢盖板,利用漏斗中的混凝土自重压缩管道内的空气形成的冲力把槽底部的泥浆冲开,同时车泵连续不断向漏斗中补充混凝土,使混凝土填满槽底。(3)过程中导管埋深控制在2~6m,商混凝土站需确保混凝土供应满足现场使用。在浇筑过程须有专人测量槽段内混凝土浇筑的高度并做好施工记录,当导管埋深接近6m时,须暂停浇筑,拔出相应导管后继续进行混凝土浇筑。(4)当槽孔中泥浆的含砂量较大,在用测饼测量混凝土表面高程时,要特别注意测饼是否真正达到混凝土表面。特别是在临近浇筑结束时,需用带有倒刺的钢筋棒插入混凝土面一定深度,然后再提出槽段外,根据倒刺中是否留有新鲜混凝土以判定真正的混凝土面位置。(5)地下连续墙完成面高出设计要求800mm,高出部分在冠梁施工时凿除。(6)每个槽段必须现场留置一组混凝土抗压、同条件试块,并每5槽段墙留置1组抗渗试块。(7)利用超声波检测机UDM-100对已完成的地下连续墙垂直度进行100%检测,即每槽段都需检测;应采用声波透射法对地下连续墙混凝土质量进行检测,检测墙的数量不宜小于同条件下总槽段数的20%,且不得小于3槽段。
10结束语
拥有地铁是一个城市崛起的象征,地铁这一现代化交通工具为大众提供便利且低碳又环保。在地铁建设中,深基坑地下连续墙围护结构施工只是其中的重要一环,望能够给到类似工程提供一些经验所得。
参考文献:
[1]何滔,魏树健.地铁车站深基坑支护地下连续墙施工技术[J].城市建筑,2015(29):85-86.
[2]郭杰.地铁车站深基坑支护施工技术[J].珠江水运,2019(10):31-32.
[3]王溯.市政地铁工程中地下连续墙施工技术研究[J].建筑技术开发,2019(10):18-19.
作者简介:谢锦潮(1992.10-),男,海南东方人,助理工程师,专科,从事地铁工程明挖、暗挖方面工程技术管理工作。