黎辉
北京星远福源电力设备安装有限公司 100076
摘要:
随着我国经济的持续发展趋势,对电力工程的要求越来越高,从而推动了电力工程配电设备工程项目的发展趋势。在电力工程配电设备建设项目中,必须严格执行电缆敷设管理方法。在现阶段,高压电缆项目的建设日益增多。受河流和道路,周围环境,交通状况以及城市中错综复杂的市政管线的影响,开槽和铺设电缆管道越来越不适合城市发展。顶管,盾构和水平定向钻机以及其他非开挖顶管施工技术越来越多地被使用。
不论是顶管施工还是盾构施工,高压电缆施工均存在施工时间长,资金投入大,施工风险高的缺点。水平定向钻与顶管或盾构相比,开挖直径小,施工风险小,工期短,综合成本低,广泛用于电力装置的基础施工项目。但是,常规铺设的电缆塑料保护管很容易受到外力的破坏,给电缆的安全运行带来很大的安全隐患,并且电缆处于口径的塑料保护壳中,散热能力差。电缆的往复热膨胀变形容易使金属材料的保护套变脆,很多地区已发文严格控制非开挖定向钻技术的应用。为避免常规塑料保护管敷设电缆的安全隐患,文就水平定向钻铺设钢管内敷设高压电缆相关技术进行介绍,以供参考。
关键词:电力工程;水平定向钻;钢管;高压电缆
前言
为实现高压电缆穿越江河,首先采用水平定向钻铺设钢管形成电缆通道,然后在钢管中放置圆形移动电缆抱箍,方便可靠地完成电缆敷设。并且,在钢管的两侧设置带有含配重机构的电缆型伸缩补偿装置,以确保电缆操作的安全性,具有优异的经济和社会效益。
1工程概况
220kV线路项目位于北京顺义。路径长约8km,敷设横截面积2500mm2的高压220kV电缆。该路线需要穿越东桥周围的潮白河,并且与河道成85度角。需采用非开挖技术进行电缆通道施工。无论是顶管施工还是盾构施工技术,都必须在河两岸设置深达30m的深层工作井,工程施工地质标准薄弱。为了减少建设工程对河道的危害,加快工程进度,减少工程投资,该项目明确选择水平定向钻铺设钢管内敷设高压电缆技术,采用水平定向钻机对潮白河进行穿越。多级扩孔至所需孔径后将D790mm×14mm钢管回拖形成电缆通道,然后在钢管内敷设220kV高压电缆。
在此阶段,有两种在钢管中铺设电缆的方法。第一种方法是在钢管中添加用于电缆的塑料维护管,并使用大功率液压牵引机作为牵引机械。运输电缆。由于电缆的长度较长,并且电缆与保护管之间的滑动摩擦较大,因此这种方法需要大功率的液压牵引机,并且在整个施工过程中对驱动力的操纵要求非常高。过程中,很容易造成电缆损坏。
第二种方法是减少电缆敷设的驱动力,选择移动电缆抱箍固定电缆,在牵引机械的作用下,电缆移动抱箍带着电缆在钢管内部轴向滑动,完成电缆的敷设。这种方法在敷设电缆时,将电缆与管道的滑动摩擦力转换为滑动力,电缆的承载力小,很大程度上减小了敷设电缆时的损坏风险。经过全面对比,该项目选择了第二种电缆敷设方法。
2.钢管铺设
2.1导向孔施工
根据设计图,放出钻机场地控制线和设备摆放位置,以确保钻孔机的轴线与入土点、出土点平行。为了确保放线准确性,常用的仪器设备选择GPS定位,明确控制方案,并使用人工电磁场钻出定向孔。钻杆钻进时每根钻杆最大折角不超过0.5°,连续3根钻杆累加折角不超过1.5°。
2.2多级扩孔施工
根据项目的具体情况,对管道扩孔进行分级。选择D300导向孔后,使用D600和D900开式扩孔器扩孔一次,然后使用D1200桶式扩孔器回扩孔后,再使用D1000柏式扩孔器回拖。在每级扩孔施工中,都应根据返回的砂含量和扭矩变化确定是否洗孔,以防止发生扩孔卡钻,抱钻等情况。
2.3钢管回拖
在出土点的一侧,将钢管沿钻孔轨迹线延长线位置摆放就位,并依次连接钻杆、桶式钻头、回拖活节、拉管头和钢管,管道回拖过程中,双方都使用无线对讲机进行通信。管线回拖采用发送沟的方式进行。在挖发送沟时,要测量管线进入孔之前发送沟的倾斜度,以确保发送沟与穿越孔洞的稳定。在回拖操作期间,增加高润滑泥浆,使得高润滑泥浆像塑料膜一样粘附在防腐蚀层的表面,从而降低了回拖的阻力,保持防腐蚀层。
3.电缆抱箍装置
当前,高压电缆是根据上下开合的夹具固定在通道中的,但本项目中钢管和电缆的热伸缩性差异很大,因此,铺设高压电缆到河底钢管后,电缆和钢管的热胀冷缩程度有区别时。电缆和夹具之间的收缩程度不同。彼此之间会发生摩擦,很容易损坏电缆表皮。另外上述的固定方式的夹具,因钢管内径较小,不便于在封闭的钢管内部布置敷设电缆。
由于管道中现有电缆的摩擦和安装困难,该建筑项目设计了便携式电缆抱箍。根据套圈与管道内之间的滑移,可以在室内空间较小的情况下,将电缆轻松铺设到管道上,防止电缆与管道之间的摩擦力损坏电缆。另外,当电缆中发生温度变化时,管道内电缆通过与之固定的移动支架做适应性位置调整,减小电缆与管道壁发生相对运动时的摩擦阻力,实现电缆随温度变化在管道内的轴向伸缩运动,有效减小对电缆的损伤。
.png)
图1移动式电缆抱箍设计图
图2移动式电缆抱箍实物图
.png)
该移动式电缆抱箍装置(如图1,图2所示)为分体结构,包括若干拼合的夹体,夹体的内侧设置紧贴电芯外壁的弧面,每个夹体内侧弧面分别同时紧贴相邻的电缆外壁,保证三角形布置的电缆夹紧。移动式抱箍沿电缆轴线方向分段均匀布置,使电缆整体沿钢管轴线平直。夹体的外侧连接设置若干滚轮作为移动支架与铺设管道内壁之间的滚动滑移部件,同时支撑移动支架和线缆,可实现电缆和移动抱箍沿铺设管道的内部轴向滑动。
4.电缆敷设施工
首先采用水平定向钻技术铺设D790mm14mm钢管,包括导向、扩孔、回拖等流程。钢管铺设完成后,需对钢管内壁用氧气进行吹扫,清除管内的障碍物和其他杂物及毛刺,确保管内畅通无阻。同时在气密条件下,利用空气压缩机产生的高压气体将连接有6mm钢丝绳的活塞穿过钢管,然后依次连接绞磨机、葫芦、防绕器、拉力表、伸缩节及电缆牵引头(见图3)。
.png)
图3电缆敷设示意图
根据设计要求和现场实际情况,清理一条正对钢管长约50m~70m的直线通道,通道内架设A,B,C三相电缆大盘架设,电缆大盘品字形排列。钢管一端至每个大盘间各固定4台电缆输送机,钢管的另一端设一台牵引机,牵引机与输送机同时工作,提供电缆敷设动力。当电缆进入管道内部前,每隔5m固定一副圆环形移动电缆抱箍(见图4),抱箍带着电缆在钢管内部轴向滑动,直至完成整根电缆的敷设。电缆进入管口时保持电缆头平直,如有弯曲采用电缆校直机进行校直。
.png)
图4电缆敷设安装图
5.电缆伸缩补偿装置
电缆在钢管内敷设就位后,由于钢管沿纵断面呈抛物线形,电缆放置于管道中,因温度变化管道内的电缆会产生热胀冷缩现象,以及电缆在自身重力作用下有沿着管内壁下滑的趋势,为防止膨胀时电缆在管道内被折损,收缩时拉伤,必须采取吸收补偿伸缩的装置。
.png)
图5电缆在钢管内受力示意图
电缆在钢管内受力如图5所示,电缆在钢管的圆弧段因自身重力存在较大沿圆弧面向下的分力F1,圆弧段电缆对直线段电缆形成向左的挤压力F2,直线段电缆敷设后处在轴向受压状态下。当电缆运行后,电缆温度升高,刚度随之下降,直线段电缆在挤压力F2作用下产生弯曲变形,随着变形量的增大可能导致电缆折损;另外当电缆温度升高时,直线段电缆伸长趋势,对圆弧段电缆产生向上推力F3,只有当该推力F3>F2时,直线段电缆才会伸长。因此为保证电缆在热应力的作用下能够自由伸缩,必须根据电缆的刚性最大可能地减小圆弧段电缆沿圆弧面向下的分力F1。为此,本工程设计一种电缆伸缩补充装置,该装置一方面能够通过配重和动定滑轮组实现减小沿圆弧面向下的分力F1,另一方面电缆能够在装置下部滚轮的作用下沿电缆轴向方向运动,确保电缆能够自由地伸长和缩短。
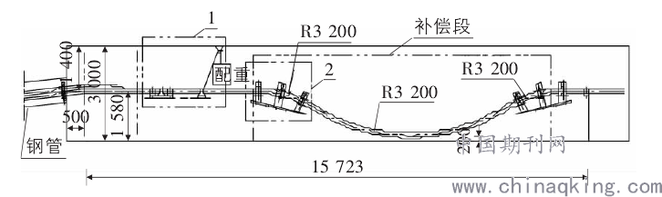
图6电缆收缩补偿装置平面图
.png)
图7电缆收缩补偿装置侧面图
.png)
图8电缆伸缩补充装置现场安装图
.png)
电缆伸缩补偿装置(如图6~图8所示)由含配重机构的滑动装置(如图9所示)和补偿段滚轮装置(如图10所示)组成。滑动装置(图6,图7中标记1)通过配重产生拉力,以此来减小钢管圆弧段电缆由于自重对直线段电缆形成的挤压力,同时装置下部滑轮能使电缆不同状态下沿轴向自由地伸长和缩短,实现电缆的安全运行。
.png)
图9配重机构示意图
补偿段滚轮装置(图10,图6,图7中标记2)由上下两组滑轮组成,上侧可滑动滚轮通过螺杆与竖向立杆固定,具有一定下压力。当电缆穿过上下两组滑轮时能够向下弯曲,通过调节上下滑轮的间隙使得电缆的变形在一个比较固定的区域内。
.png)
图10可滑动滚轮示意图
结束语:
本技术针对穿越江河时长距离高压电缆敷设难题,综合运用一系列的先进技术,包括采用水平定向钻铺设钢管形成电缆通道、特制圆环形移动电缆抱箍进行电缆敷设提高工作效率、设置滑动式电缆伸缩补偿装置吸收电缆热伸缩变形确保电缆运行安全可靠,有着较好的应用前景。
参考文献:
[1]朱奕弢.非开挖电力拉管注浆保护技术的应用[J].湖州师范学院学报,2017(8):39-43.
[2]刘聪,韩国清.浅谈电力拉管建设管理中存在的问题及解决方法[J].天津电力技术,2017(2):36-38.
[3]江苏省电力公司.国网江苏省电力有限公司电力电缆全过程管理细则[Z].2018.